Der Trabant in Explosionszeichnungen
Übersicht
Thumbnailübersicht aller Zeichnungen
Motor
Motoransicht
Zylinder, Kurbelgehäuse und Abgaskrümmer
Kurbelwelle, Kolben und Schwungrad
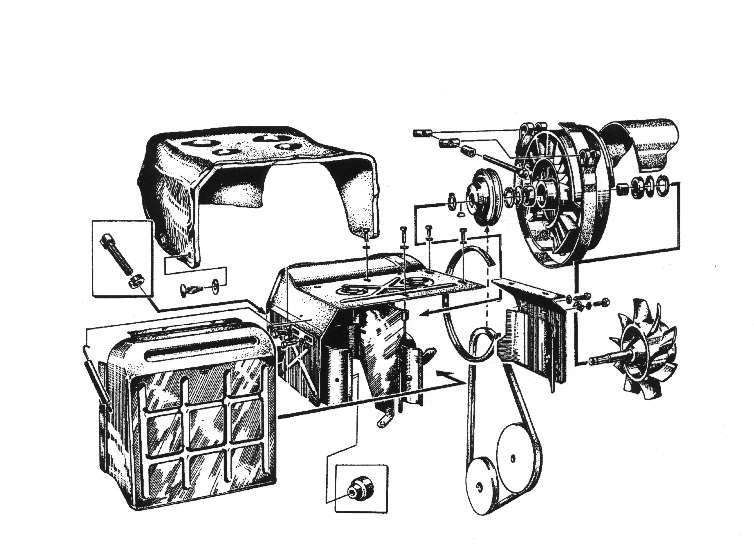
Kühlsystem (Luftführung und Lüfterrad)
Ansauggeräuschdämpfer / Luftfilter
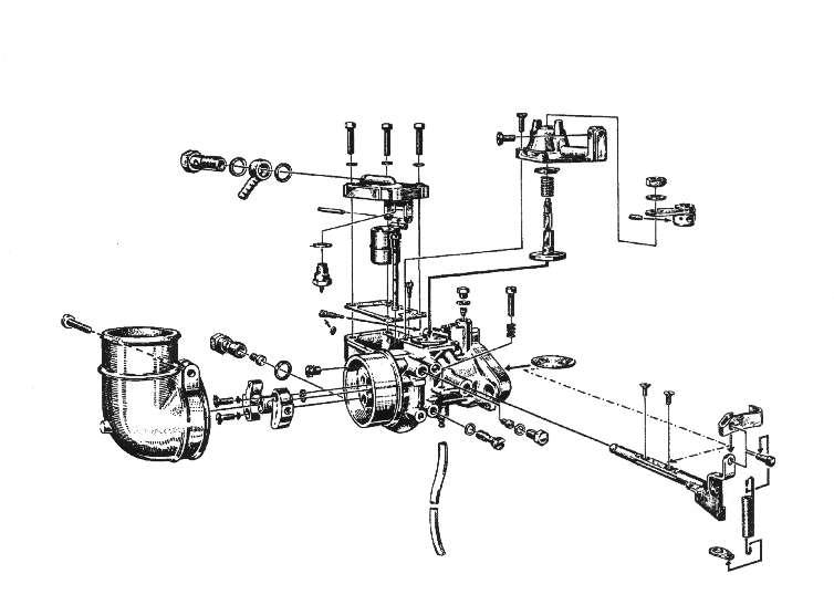
Vergaser (28 HB2)
Kupplung
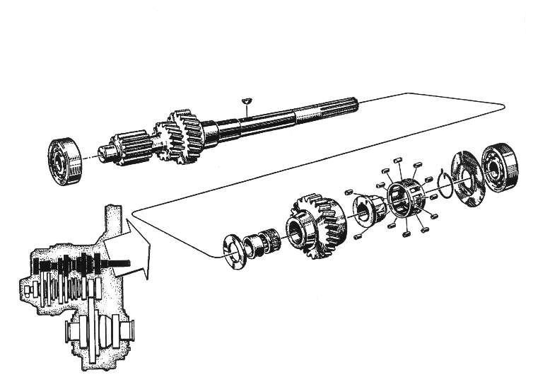
Getriebe
Hycomat
Fahrgestell
Karosserie
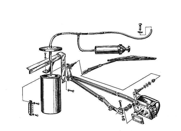
Elektrik
Universal / Kombi